Learning

Replacing Gas Grill Parts

Replacing Gas Grill Parts
Replacing Gas Grill Parts

Grilling season is here, and there's nothing quite like the sizzle of a perfectly cooked steak or the smoky aroma of grilled vegetables. However, even the best gas grills require maintenance and occasional replacing gas grill parts to keep them in top condition. Whether you're a seasoned grill master or a novice, understanding how to replace key components can extend the life of your grill and ensure delicious results every time. This guide will walk you through the process of replacing essential gas grill parts, from burners to igniters, and provide tips for maintaining your grill throughout the year.

Understanding Your Gas Grill

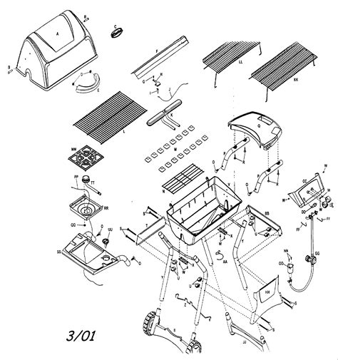
Before diving into replacing gas grill parts, it's important to understand the basic components of your gas grill. Most gas grills consist of the following key parts:

  • Burners: These are the tubes that distribute gas to create the flame. They are crucial for even heat distribution.
  • Igniters: These components generate a spark to light the burners. They can be piezoelectric or battery-operated.
  • Control Valves: These valves regulate the flow of gas to the burners, allowing you to adjust the heat.
  • Heat Plates or Flavorizer Bars: These components sit above the burners and help distribute heat evenly while adding flavor to your food.
  • Grill Grates: These are the surfaces where you place your food. They can be made of various materials like cast iron, stainless steel, or porcelain-coated steel.
  • Grease Trays and Drip Pans: These collect grease and drippings, preventing flare-ups and making cleanup easier.

When to Replace Gas Grill Parts

Knowing when to replace gas grill parts is essential for maintaining the performance and safety of your grill. Here are some signs that it's time to replace key components:

  • Burners: If you notice uneven heating, weak flames, or excessive soot, it might be time to replace your burners. Rust and corrosion are also clear indicators that burners need replacing.
  • Igniters: If your grill fails to light consistently or the igniter sparks but doesn't light the burners, it's likely time for a replacement.
  • Control Valves: If the gas flow is inconsistent or the valves are difficult to turn, they may need replacing.
  • Heat Plates or Flavorizer Bars: If these components are warped, cracked, or heavily corroded, they should be replaced to ensure even heat distribution.
  • Grill Grates: If the grates are warped, rusted, or have significant wear, they can affect the quality of your cooking and should be replaced.
  • Grease Trays and Drip Pans: If these are heavily corroded or damaged, they can lead to flare-ups and make cleanup more difficult.

Replacing Gas Grill Burners

Burners are one of the most critical components of your gas grill. Over time, they can become clogged with debris, rust, or corrode, affecting their performance. Here's how to replace them:

1. Safety First: Ensure your grill is turned off and the gas supply is disconnected. Allow the grill to cool down completely.

2. Remove the Grill Grates and Heat Plates: Lift out the grill grates and heat plates or flavorizer bars to access the burners.

3. Disconnect the Burners: Remove the burner tubes from the control valves. This may involve unscrewing or unclipping them, depending on your grill model.

4. Install New Burners: Place the new burners in the same position as the old ones, ensuring they are securely connected to the control valves.

5. Reassemble the Grill: Replace the heat plates or flavorizer bars and grill grates.

6. Test the Grill: Reconnect the gas supply and test the grill to ensure the new burners are working correctly.

🔧 Note: Always refer to your grill's manual for specific instructions on removing and replacing burners, as models can vary significantly.

Replacing Gas Grill Igniters

Igniters can wear out over time, making it difficult to light your grill. Here's how to replace them:

1. Safety First: Ensure your grill is turned off and the gas supply is disconnected. Allow the grill to cool down completely.

2. Access the Igniter: Remove the grill grates and heat plates to access the igniter. The igniter is usually located near the control panel.

3. Disconnect the Igniter: Unplug the igniter from its electrical connection. This may involve removing a wire or unclipping a connector.

4. Remove the Old Igniter: Unscrew or unclip the old igniter from its mounting bracket.

5. Install the New Igniter: Place the new igniter in the same position as the old one, ensuring it is securely mounted and connected to the electrical supply.

6. Reassemble the Grill: Replace the heat plates or flavorizer bars and grill grates.

7. Test the Igniter: Reconnect the gas supply and test the igniter to ensure it sparks and lights the burners correctly.

🔧 Note: Some igniters are battery-operated. If your igniter uses batteries, make sure to replace them regularly to maintain proper functioning.

Replacing Gas Grill Control Valves

Control valves regulate the flow of gas to the burners. If they become faulty, it can affect the performance of your grill. Here's how to replace them:

1. Safety First: Ensure your grill is turned off and the gas supply is disconnected. Allow the grill to cool down completely.

2. Access the Control Valves: Remove the grill grates and heat plates to access the control valves. They are usually located near the control panel.

3. Disconnect the Control Valves: Remove the control knobs and unscrew the control valves from the grill's body. This may involve removing screws or clips.

4. Install New Control Valves: Place the new control valves in the same position as the old ones, ensuring they are securely mounted and connected to the gas supply.

5. Reassemble the Grill: Replace the heat plates or flavorizer bars and grill grates. Reattach the control knobs.

6. Test the Control Valves: Reconnect the gas supply and test the control valves to ensure they regulate the gas flow correctly.

🔧 Note: Control valves can be sensitive components. Ensure you follow the manufacturer's instructions carefully when replacing them.

Replacing Gas Grill Heat Plates or Flavorizer Bars

Heat plates or flavorizer bars help distribute heat evenly and add flavor to your food. Over time, they can become warped or corroded. Here's how to replace them:

1. Safety First: Ensure your grill is turned off and the gas supply is disconnected. Allow the grill to cool down completely.

2. Remove the Grill Grates: Lift out the grill grates to access the heat plates or flavorizer bars.

3. Remove the Old Heat Plates or Flavorizer Bars: Lift out the old heat plates or flavorizer bars. They may be held in place by clips or screws.

4. Install New Heat Plates or Flavorizer Bars: Place the new heat plates or flavorizer bars in the same position as the old ones, ensuring they are securely in place.

5. Reassemble the Grill: Replace the grill grates.

6. Test the Grill: Reconnect the gas supply and test the grill to ensure the new heat plates or flavorizer bars are working correctly.

🔧 Note: Heat plates and flavorizer bars can vary in design. Ensure you purchase the correct replacement parts for your specific grill model.

Replacing Gas Grill Grates

Grill grates are where the magic happens. Over time, they can become warped, rusted, or heavily worn. Here's how to replace them:

1. Safety First: Ensure your grill is turned off and the gas supply is disconnected. Allow the grill to cool down completely.

2. Remove the Old Grill Grates: Lift out the old grill grates. They may be held in place by clips or screws.

3. Install New Grill Grates: Place the new grill grates in the same position as the old ones, ensuring they are securely in place.

4. Test the Grill: Reconnect the gas supply and test the grill to ensure the new grill grates are working correctly.

🔧 Note: Grill grates come in various materials, including cast iron, stainless steel, and porcelain-coated steel. Choose the material that best suits your grilling needs.

Replacing Gas Grill Grease Trays and Drip Pans

Grease trays and drip pans collect grease and drippings, preventing flare-ups and making cleanup easier. Over time, they can become heavily corroded or damaged. Here's how to replace them:

1. Safety First: Ensure your grill is turned off and the gas supply is disconnected. Allow the grill to cool down completely.

2. Access the Grease Trays and Drip Pans: Remove the grill grates and heat plates to access the grease trays and drip pans. They are usually located below the burners.

3. Remove the Old Grease Trays and Drip Pans: Lift out the old grease trays and drip pans. They may be held in place by clips or screws.

4. Install New Grease Trays and Drip Pans: Place the new grease trays and drip pans in the same position as the old ones, ensuring they are securely in place.

5. Reassemble the Grill: Replace the heat plates or flavorizer bars and grill grates.

6. Test the Grill: Reconnect the gas supply and test the grill to ensure the new grease trays and drip pans are working correctly.

🔧 Note: Regularly cleaning your grease trays and drip pans can extend their lifespan and improve the performance of your grill.

Maintaining Your Gas Grill

Regular maintenance is key to keeping your gas grill in top condition. Here are some tips for maintaining your grill throughout the year:

  • Clean Regularly: Clean your grill after each use to remove grease and food residue. Use a grill brush to scrub the grill grates and a mild detergent to clean the exterior.
  • Check for Leaks: Regularly inspect your grill for gas leaks. Apply a soapy water solution to the gas connections and look for bubbles. If you find any, tighten the connections or replace the faulty parts.
  • Inspect Burners: Check your burners for clogs or corrosion. Use a wire brush to clean the burner ports and ensure they are clear of debris.
  • Replace Parts as Needed: Don't wait for parts to fail completely. Replace them as soon as you notice signs of wear or damage.
  • Store Properly: When not in use, cover your grill to protect it from the elements. Store it in a dry place to prevent rust and corrosion.

By following these maintenance tips and knowing when to replace key components, you can ensure your gas grill remains in excellent condition for many grilling seasons to come. Regular replacing gas grill parts and upkeep will not only extend the life of your grill but also enhance your grilling experience, making every meal a delightful one.

In summary, understanding the components of your gas grill and knowing when to replace them is crucial for maintaining its performance and safety. Whether it’s burners, igniters, control valves, heat plates, grill grates, or grease trays, regular maintenance and timely replacements will keep your grill in top shape. By following the steps outlined in this guide, you can ensure that your grill is always ready to deliver perfectly cooked meals, season after season. Happy grilling!

Related Terms:

  • replacement parts for outdoor grills
  • www.grillparts.com
  • home depot replacement grill parts
  • gas grill parts diagram
  • charcoal grill replacement parts
  • portable gas grill parts
Facebook Twitter WhatsApp
Related Posts
Don't Miss