Learning

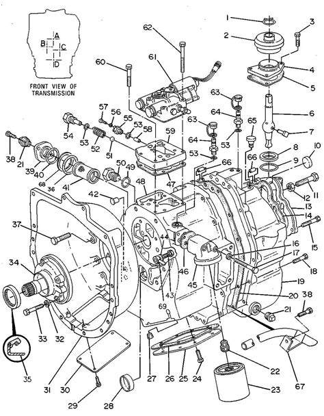
Parts In Transmission

Parts In Transmission
Parts In Transmission

Understanding the intricacies of automotive transmissions can be a daunting task, especially when it comes to the various parts in transmission systems. Whether you're a seasoned mechanic or a curious car enthusiast, grasping the fundamentals of transmission components is crucial for maintaining and repairing your vehicle. This blog post will delve into the essential parts in transmission, their functions, and how they work together to ensure smooth operation.

Understanding Transmission Basics

Before diving into the specific parts in transmission, it’s important to understand the basic types of transmissions. There are two primary types: manual and automatic. Manual transmissions require the driver to manually shift gears, while automatic transmissions handle gear changes automatically. Each type has its own set of parts in transmission that work together to deliver power from the engine to the wheels.

Manual Transmission Components

Manual transmissions are known for their simplicity and durability. The key parts in transmission in a manual system include:

  • Clutch: The clutch is a critical component that engages and disengages the engine from the transmission. It allows the driver to change gears smoothly.
  • Gearbox: The gearbox houses the gears and shafts that transfer power from the engine to the driveshaft. It includes various gears that provide different speed and torque ratios.
  • Shifter: The shifter is the mechanism that allows the driver to select different gears. It is connected to the gearbox via a linkage or cable.
  • Flywheel: The flywheel is a heavy metal disc attached to the engine’s crankshaft. It stores rotational energy and helps smooth out the power delivery.
  • Pressure Plate: The pressure plate applies force to the clutch disc, ensuring it engages properly with the flywheel.
  • Clutch Disc: The clutch disc is the component that connects the engine to the transmission. It is sandwiched between the flywheel and the pressure plate.

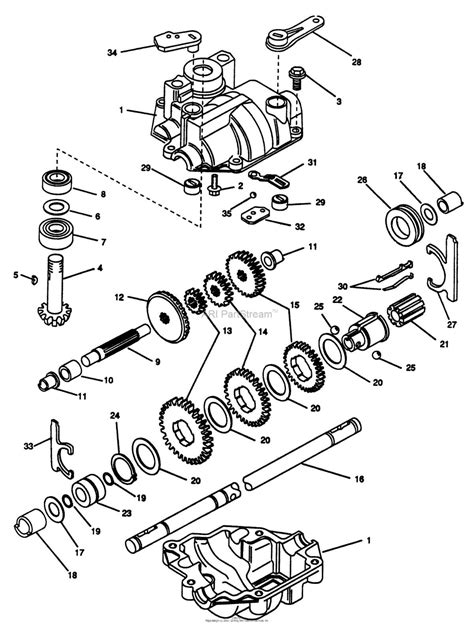
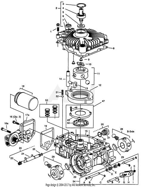
Automatic Transmission Components

Automatic transmissions are more complex than manuals, with a greater number of parts in transmission. The key components include:

  • Torque Converter: The torque converter replaces the clutch in an automatic transmission. It uses fluid to transfer power from the engine to the transmission.
  • Planetary Gear Set: The planetary gear set is a system of gears that provides different gear ratios. It consists of a sun gear, planet gears, and a ring gear.
  • Hydraulic System: The hydraulic system uses fluid pressure to engage and disengage the various clutches and bands within the transmission.
  • Valve Body: The valve body controls the flow of hydraulic fluid within the transmission. It directs fluid to the appropriate clutches and bands.
  • Clutches and Bands: Clutches and bands are used to engage and disengage different gear sets within the transmission. They are controlled by the hydraulic system.
  • Transmission Fluid: Transmission fluid is essential for lubricating the parts in transmission and for the operation of the hydraulic system. It also helps to cool the transmission.

Common Issues with Transmission Parts

Even with proper maintenance, parts in transmission can wear out or fail over time. Some common issues include:

  • Worn Clutch: In manual transmissions, a worn clutch can cause slipping, difficulty shifting, and a burning smell.
  • Leaking Transmission Fluid: Leaks can occur from seals, gaskets, or the torque converter. Low fluid levels can lead to overheating and damage to the parts in transmission.
  • Faulty Solenoids: In automatic transmissions, solenoids control the flow of hydraulic fluid. Faulty solenoids can cause shifting problems and reduced performance.
  • Worn Gears: Worn or damaged gears can cause grinding noises, difficulty shifting, and reduced fuel efficiency.
  • Failed Torque Converter: A failed torque converter can cause slipping, overheating, and reduced performance in automatic transmissions.

Maintenance Tips for Transmission Parts

Maintaining your transmission is essential for extending the life of your vehicle. Here are some tips to keep your parts in transmission in good condition:

  • Regular Fluid Changes: Regularly changing the transmission fluid can help prevent overheating and reduce wear on the parts in transmission.
  • Inspect for Leaks: Regularly check for leaks around the transmission and address them promptly to prevent fluid loss.
  • Avoid Aggressive Driving: Aggressive driving can put extra strain on the transmission, leading to premature wear.
  • Use the Correct Fluid: Always use the recommended type and grade of transmission fluid for your vehicle.
  • Check the Clutch: For manual transmissions, regularly inspect the clutch for wear and replace it as needed.

🛠️ Note: Always consult your vehicle's owner manual for specific maintenance intervals and recommendations.

Diagnosing Transmission Problems

Diagnosing transmission problems can be challenging, but there are some common signs to look out for:

  • Burning Smell: A burning smell can indicate overheating or a fluid leak.
  • Grinding or Shaking: Grinding or shaking during gear changes can indicate worn gears or a faulty clutch.
  • Slipping Gears: Slipping gears can be caused by a worn clutch, low fluid levels, or a faulty torque converter.
  • Difficulty Shifting: Difficulty shifting gears can be due to worn parts in transmission, low fluid levels, or a faulty hydraulic system.
  • Leaking Fluid: Leaking transmission fluid can be caused by worn seals, gaskets, or a damaged torque converter.

Transmission Repair and Replacement

When transmission problems arise, it’s important to address them promptly to prevent further damage. Depending on the severity of the issue, you may need to repair or replace certain parts in transmission. Here are some common repair and replacement options:

  • Clutch Replacement: For manual transmissions, replacing a worn clutch can restore smooth shifting and prevent further damage.
  • Fluid Flush: A fluid flush can remove contaminants and old fluid, improving the performance of the parts in transmission.
  • Solenoid Replacement: Replacing faulty solenoids can restore proper shifting and performance in automatic transmissions.
  • Gear Replacement: Replacing worn or damaged gears can restore smooth operation and prevent further damage.
  • Torque Converter Replacement: Replacing a faulty torque converter can restore performance and prevent overheating in automatic transmissions.
  • Transmission Rebuild: A transmission rebuild involves disassembling the transmission, replacing worn parts in transmission, and reassembling it. This can be a cost-effective alternative to a full replacement.
  • Transmission Replacement: In severe cases, a full transmission replacement may be necessary. This involves removing the old transmission and installing a new or rebuilt one.

🛠️ Note: Always consult a professional mechanic for transmission repairs and replacements to ensure the job is done correctly.

Transmission Fluid Types

Choosing the right transmission fluid is crucial for the health of your parts in transmission. There are several types of transmission fluids available, each designed for specific types of transmissions:

  • Dexron/Mercon: These are conventional automatic transmission fluids suitable for most vehicles.
  • Type F: This fluid is specifically designed for older Ford vehicles with automatic transmissions.
  • Hypoid Gear Oil: This is used in manual transmissions and differentials. It provides excellent lubrication and protection.
  • Synthetic Transmission Fluid: Synthetic fluids offer superior performance and protection, especially in high-performance vehicles or extreme conditions.

Transmission Fluid Change Intervals

Regular transmission fluid changes are essential for maintaining the health of your parts in transmission. The recommended intervals can vary depending on the make and model of your vehicle, as well as your driving habits. Here is a general guide:

Vehicle Type Transmission Type Recommended Interval
Passenger Cars Automatic Every 30,000 to 60,000 miles
Passenger Cars Manual Every 30,000 to 50,000 miles
Trucks and SUVs Automatic Every 30,000 to 60,000 miles
Trucks and SUVs Manual Every 30,000 to 50,000 miles

🛠️ Note: Always refer to your vehicle's owner manual for specific recommendations on transmission fluid change intervals.

Transmission Cooling Systems

Transmission cooling systems are essential for maintaining the optimal operating temperature of your parts in transmission. Overheating can cause significant damage to the transmission, leading to costly repairs. There are several types of transmission cooling systems:

  • External Coolers: External coolers are separate units that are mounted outside the transmission. They use a separate cooling circuit to dissipate heat.
  • Internal Coolers: Internal coolers are integrated into the transmission and use the vehicle’s engine coolant to dissipate heat.
  • Auxiliary Coolers: Auxiliary coolers are additional cooling units that can be added to the transmission to provide extra cooling capacity.

Regular maintenance of the transmission cooling system is crucial for preventing overheating and extending the life of your parts in transmission. This includes checking the coolant levels, inspecting the cooling lines for leaks, and ensuring the cooling fan is functioning properly.

🛠️ Note: If you notice any signs of overheating, such as a burning smell or reduced performance, have your transmission cooling system inspected by a professional mechanic.

Transmission Upgrades and Modifications

For enthusiasts looking to enhance the performance of their vehicle, there are several transmission upgrades and modifications available. These upgrades can improve shifting, increase torque capacity, and enhance overall performance. Some popular upgrades include:

  • Performance Clutches: Performance clutches are designed to handle higher torque levels and provide smoother engagement.
  • Shift Kits: Shift kits can improve the firmness and precision of gear changes in automatic transmissions.
  • High-Performance Gears: High-performance gears are designed to handle increased torque and provide better durability.
  • Transmission Coolers: Upgrading to a high-performance transmission cooler can help maintain optimal operating temperatures, especially in high-performance applications.
  • Torque Converters: Upgrading to a high-performance torque converter can improve acceleration and overall performance.

When considering transmission upgrades, it's important to choose components that are compatible with your vehicle and designed for your specific performance goals. Always consult with a professional mechanic or performance specialist to ensure the upgrades are installed correctly and safely.

🛠️ Note: Improper installation of transmission upgrades can lead to damage and reduced performance. Always follow the manufacturer's instructions and consult a professional if necessary.

Transmissions are complex systems with numerous parts in transmission that work together to deliver power from the engine to the wheels. Understanding the basics of transmission components, their functions, and how to maintain them can help you keep your vehicle running smoothly and extend its lifespan. Regular maintenance, prompt repairs, and careful driving habits are key to ensuring the longevity and reliability of your transmission.

Related Terms:

  • transmission parts stores online
  • aftermarket transmission parts suppliers
  • transmission parts warehouse near me
  • automotive replacement transmissions & parts
  • transmission parts usa site
  • aftermarket transmission parts
Facebook Twitter WhatsApp
Related Posts
Don't Miss