Learning

John Deere Parts Diagram

John Deere Parts Diagram
John Deere Parts Diagram

Maintaining and repairing your John Deere equipment is essential for ensuring its longevity and optimal performance. One of the most valuable resources for this task is the John Deere Parts Diagram. These diagrams provide a visual representation of the various components and parts of your machinery, making it easier to identify and replace worn-out or damaged parts. Whether you are a seasoned mechanic or a DIY enthusiast, understanding how to use these diagrams can save you time and money.

Understanding John Deere Parts Diagrams

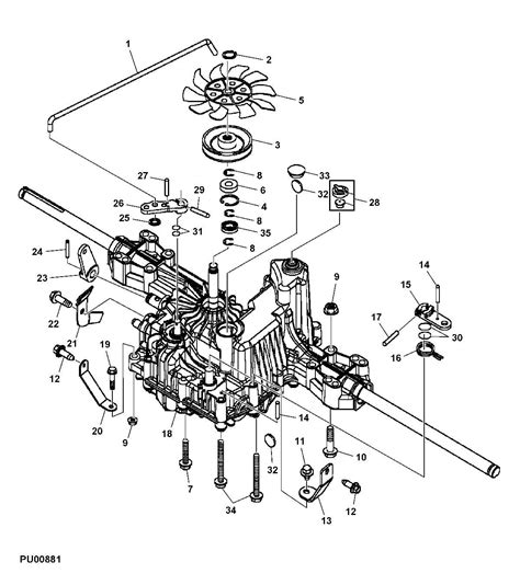
A John Deere Parts Diagram is a detailed illustration that shows the layout and arrangement of parts within a specific piece of equipment. These diagrams are typically organized by model and serial number, ensuring that you get the correct information for your particular machine. They are invaluable for several reasons:

  • Accuracy: They provide precise information about the location and function of each part.
  • Efficiency: They help you quickly identify the parts you need, reducing downtime.
  • Cost-Effective: By knowing exactly what parts you need, you can avoid purchasing unnecessary items.

How to Read a John Deere Parts Diagram

Reading a John Deere Parts Diagram might seem daunting at first, but with a bit of practice, it becomes straightforward. Here are the steps to effectively read and use these diagrams:

Step 1: Identify the Model and Serial Number

Before you start, ensure you have the correct model and serial number of your John Deere equipment. This information is crucial for selecting the right diagram. You can usually find this information on a plate attached to the machine.

Step 2: Locate the Diagram

Once you have the model and serial number, you can locate the appropriate John Deere Parts Diagram. These diagrams are often available in service manuals, parts catalogs, or online resources. Make sure you are using the most up-to-date version to avoid any discrepancies.

Step 3: Familiarize Yourself with the Layout

Each diagram is divided into sections, typically corresponding to different parts of the machine. Common sections include the engine, transmission, hydraulic system, and electrical components. Take a moment to familiarize yourself with the layout and understand how the sections are organized.

Step 4: Identify the Part Numbers

Each part in the diagram is labeled with a unique part number. These numbers are essential for ordering replacement parts. Make a note of the part numbers you need and cross-reference them with the parts catalog to ensure accuracy.

Step 5: Use the Diagram for Repair or Maintenance

With the part numbers in hand, you can proceed with the repair or maintenance task. The diagram will guide you through the disassembly and reassembly process, ensuring that you replace the correct parts in the right order.

đź”§ Note: Always double-check the part numbers and ensure you have the correct parts before starting any repair work.

Common Sections in John Deere Parts Diagrams

John Deere equipment is complex, and the parts diagrams reflect this complexity. Here are some common sections you might encounter:

Engine Section

The engine section details the various components of the engine, including the cylinder head, pistons, crankshaft, and fuel system. This section is crucial for diagnosing and repairing engine-related issues.

Transmission Section

The transmission section covers the gears, shafts, and other components that make up the transmission system. This is important for ensuring smooth operation and power transfer.

Hydraulic System Section

The hydraulic system section includes pumps, valves, and cylinders. This section is essential for equipment that relies on hydraulic power for lifting, digging, or other functions.

Electrical Components Section

The electrical components section details the wiring, switches, and control modules. This section is vital for diagnosing and repairing electrical issues.

Using John Deere Parts Diagrams for Maintenance

Regular maintenance is key to keeping your John Deere equipment in top condition. John Deere Parts Diagrams can be a valuable tool in this process. Here’s how you can use them for routine maintenance:

Scheduled Maintenance

Follow the manufacturer’s recommended maintenance schedule. Use the diagrams to identify and inspect critical components, such as filters, belts, and fluids. Replace any worn-out parts as needed.

Preventive Maintenance

Perform preventive maintenance to catch potential issues before they become major problems. Use the diagrams to check for signs of wear and tear, such as leaks, cracks, or excessive play in moving parts.

Troubleshooting

When something goes wrong, use the diagrams to troubleshoot the issue. Identify the affected components and follow the diagram to understand their interactions with other parts. This can help you pinpoint the root cause of the problem.

Benefits of Using John Deere Parts Diagrams

There are numerous benefits to using John Deere Parts Diagrams for your equipment maintenance and repair needs. Here are some of the key advantages:

  • Improved Accuracy: Diagrams provide precise information, reducing the risk of errors.
  • Time-Saving: Quickly identify and locate parts, minimizing downtime.
  • Cost-Effective: Avoid purchasing unnecessary parts by knowing exactly what you need.
  • Enhanced Safety: Properly identify and handle parts, reducing the risk of accidents.
  • Better Understanding: Gain a deeper understanding of your equipment’s components and their functions.

Tips for Effective Use of John Deere Parts Diagrams

To make the most of John Deere Parts Diagrams, consider the following tips:

  • Keep Diagrams Organized: Store your diagrams in a safe and easily accessible place.
  • Use High-Quality Prints: Ensure that your diagrams are clear and easy to read.
  • Cross-Reference with Manuals: Use parts catalogs and service manuals to supplement the information in the diagrams.
  • Stay Updated: Regularly check for updates to the diagrams to ensure you have the most current information.

Common Mistakes to Avoid

While John Deere Parts Diagrams are incredibly useful, there are some common mistakes to avoid:

  • Using the Wrong Diagram: Ensure you are using the diagram for your specific model and serial number.
  • Ignoring Part Numbers: Always double-check part numbers to avoid ordering the wrong parts.
  • Skipping Safety Precautions: Follow all safety guidelines when working with your equipment.

🛠️ Note: Always refer to the manufacturer’s guidelines for specific safety instructions related to your equipment.

Conclusion

In summary, John Deere Parts Diagrams are an essential tool for anyone looking to maintain or repair their John Deere equipment. By understanding how to read and use these diagrams, you can ensure that your machinery operates efficiently and reliably. Whether you are performing routine maintenance or troubleshooting a complex issue, these diagrams provide the detailed information you need to get the job done right. Regular use of these diagrams can extend the lifespan of your equipment, save you money on repairs, and keep your operations running smoothly.

Related Terms:

  • john deere parts catalog pdf
  • john deere parts diagram schematics
  • jdparts parts catalog by model
  • d140 john deere parts diagram
  • john deere parts catalogs
Facebook Twitter WhatsApp
Related Posts
Don't Miss