Learning

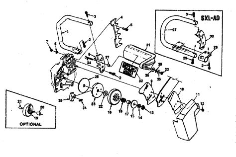
Homelite Chainsaw Parts

Homelite Chainsaw Parts
Homelite Chainsaw Parts

Maintaining a Homelite chainsaw is essential for ensuring its longevity and optimal performance. One of the key aspects of maintenance is understanding and replacing Homelite chainsaw parts when necessary. This guide will walk you through the essential components of a Homelite chainsaw, how to identify when they need replacement, and the steps to replace them.

Understanding Homelite Chainsaw Parts

A Homelite chainsaw is composed of several critical parts, each playing a vital role in its operation. Familiarizing yourself with these parts will help you diagnose issues and perform necessary repairs. The main components include:

  • The engine
  • The chain and bar
  • The clutch
  • The air filter
  • The spark plug
  • The carburetor
  • The starter

Identifying When to Replace Homelite Chainsaw Parts

Regular inspection of your Homelite chainsaw can help you identify when parts need replacement. Here are some signs to look out for:

  • Chain and Bar: If the chain is dull, damaged, or the bar is bent or cracked, it's time for a replacement.
  • Clutch: A worn-out clutch can cause the chain to stop moving. Listen for unusual noises and check for excessive wear.
  • Air Filter: A clogged air filter can reduce engine performance. Clean or replace it if it's dirty.
  • Spark Plug: A fouled or damaged spark plug can cause starting issues. Replace it if it's blackened or has a cracked insulator.
  • Carburetor: If the engine is running poorly or not starting, the carburetor might need cleaning or replacement.
  • Starter: A faulty starter can make it difficult to start the chainsaw. Check for wear and tear on the starter cord and pulley.

Replacing Homelite Chainsaw Parts

Replacing Homelite chainsaw parts can be a straightforward process if you follow the correct steps. Below are detailed instructions for replacing some of the most common parts.

Replacing the Chain and Bar

The chain and bar are the most frequently replaced parts due to wear and tear. Here’s how to replace them:

  1. Turn off the chainsaw and let it cool down.
  2. Remove the bar cover and the bar.
  3. Remove the old chain from the bar.
  4. Install the new chain onto the bar, ensuring it is properly tensioned.
  5. Reattach the bar and the bar cover.

🛠️ Note: Always ensure the chain is properly tensioned to avoid accidents.

Replacing the Air Filter

The air filter is crucial for keeping the engine clean. Here’s how to replace it:

  1. Turn off the chainsaw and let it cool down.
  2. Locate the air filter cover and remove it.
  3. Take out the old air filter.
  4. Insert the new air filter, ensuring it is properly seated.
  5. Replace the air filter cover and secure it.

🛠️ Note: Regularly cleaning or replacing the air filter can extend the life of your chainsaw.

Replacing the Spark Plug

A faulty spark plug can cause starting issues. Here’s how to replace it:

  1. Turn off the chainsaw and let it cool down.
  2. Locate the spark plug and remove the spark plug cap.
  3. Use a spark plug wrench to remove the old spark plug.
  4. Insert the new spark plug and tighten it securely.
  5. Reattach the spark plug cap.

🛠️ Note: Always use the correct type of spark plug recommended for your Homelite chainsaw model.

Replacing the Carburetor

The carburetor regulates the fuel and air mixture. Here’s how to replace it:

  1. Turn off the chainsaw and let it cool down.
  2. Remove the air filter cover and the air filter.
  3. Locate the carburetor and remove the mounting screws.
  4. Disconnect the fuel line and the throttle cable.
  5. Remove the old carburetor and install the new one.
  6. Reconnect the fuel line and the throttle cable.
  7. Secure the carburetor with the mounting screws.
  8. Reattach the air filter and the air filter cover.

🛠️ Note: Cleaning the carburetor can sometimes resolve issues without needing a replacement.

Replacing the Starter

A faulty starter can make it difficult to start the chainsaw. Here’s how to replace it:

  1. Turn off the chainsaw and let it cool down.
  2. Remove the starter cover.
  3. Locate the starter assembly and remove the mounting screws.
  4. Disconnect the starter cord from the pulley.
  5. Remove the old starter assembly and install the new one.
  6. Reconnect the starter cord to the pulley.
  7. Secure the starter assembly with the mounting screws.
  8. Replace the starter cover.

🛠️ Note: Ensure the starter cord is properly wound and secured to avoid starting issues.

Maintaining Your Homelite Chainsaw

Maintaining your Homelite chainsaw involves more than just replacing parts. Regular maintenance can prevent issues and extend the life of your chainsaw. Here are some tips:

  • Regular Cleaning: Keep the chainsaw clean to prevent dirt and debris from affecting its performance.
  • Lubrication: Ensure the chain and bar are properly lubricated to reduce wear and tear.
  • Storage: Store the chainsaw in a dry place to prevent rust and damage.
  • Inspection: Regularly inspect the chainsaw for any signs of wear or damage.

Common Issues and Troubleshooting

Even with regular maintenance, issues can arise. Here are some common problems and their solutions:

Issue Solution
Chainsaw won't start Check the spark plug, air filter, and fuel supply.
Chain is not moving Inspect the clutch and ensure the chain is properly tensioned.
Engine is running poorly Clean or replace the air filter and check the carburetor.
Excessive vibration Check for loose or damaged parts and tighten or replace as necessary.

By understanding the components of your Homelite chainsaw and performing regular maintenance, you can ensure it remains in optimal condition. Replacing Homelite chainsaw parts when necessary will help extend the life of your chainsaw and keep it running smoothly.

Regular maintenance and timely replacement of parts are key to keeping your Homelite chainsaw in top condition. By following the guidelines and tips outlined in this guide, you can ensure your chainsaw remains reliable and efficient for all your cutting needs. Understanding the signs of wear and tear, and knowing how to replace essential parts, will save you time and money in the long run. Always prioritize safety when working with your chainsaw, and don’t hesitate to seek professional help if needed.

Related Terms:

  • homelite textron chainsaw parts diagram
  • homelite c 51 chainsaw parts
  • homelite electric chainsaw parts diagram
  • homelite chainsaw parts near me
  • homelite 360 chainsaw parts diagram
  • replacement parts homelite chainsaw
Facebook Twitter WhatsApp
Related Posts
Don't Miss