Learning

Frigidaire Dishwasher Parts

Frigidaire Dishwasher Parts
Frigidaire Dishwasher Parts

Owning a Frigidaire dishwasher can significantly simplify your kitchen chores, but like any appliance, it requires regular maintenance and occasional repairs. Understanding the various Frigidaire dishwasher parts and their functions can help you troubleshoot issues and keep your dishwasher running smoothly. This guide will walk you through the essential components of a Frigidaire dishwasher, common problems, and how to maintain them.

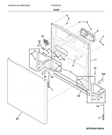
Understanding the Basic Components of a Frigidaire Dishwasher

A Frigidaire dishwasher is composed of several key parts, each playing a crucial role in its operation. Familiarizing yourself with these components can make it easier to diagnose and fix problems when they arise.

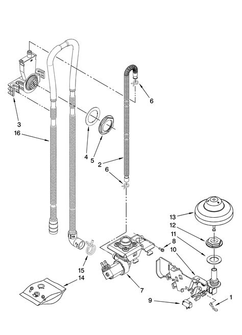
Water Inlet Valve

The water inlet valve is responsible for controlling the flow of water into the dishwasher. When the dishwasher is turned on, this valve opens to allow water to enter the machine. If the valve is faulty, the dishwasher may not fill with water, leading to poor cleaning performance.

Drain Pump

The drain pump is essential for removing water from the dishwasher after a cycle. It pumps the dirty water out of the machine and into the drain. A malfunctioning drain pump can cause water to remain in the dishwasher, leading to unpleasant odors and potential leaks.

Circulation Pump

The circulation pump is responsible for circulating water throughout the dishwasher during a cycle. It ensures that water reaches all the dishes, providing a thorough clean. If the circulation pump fails, the dishwasher may not clean dishes effectively.

Heating Element

The heating element is used to heat the water to the appropriate temperature for cleaning. Proper water temperature is crucial for killing bacteria and ensuring dishes are sanitized. A faulty heating element can result in dishes that are not properly cleaned or sanitized.

Control Panel

The control panel is the interface through which you interact with the dishwasher. It allows you to select different cycles, adjust settings, and monitor the dishwasher's status. Issues with the control panel can make it difficult to operate the dishwasher effectively.

Spray Arms

Spray arms are responsible for distributing water and detergent throughout the dishwasher. They rotate to ensure that water reaches all areas of the dishwasher, providing a thorough clean. Clogged or damaged spray arms can lead to poor cleaning performance.

Detergent Dispenser

The detergent dispenser holds the detergent and releases it at the appropriate time during the cycle. It ensures that the right amount of detergent is used for effective cleaning. A malfunctioning detergent dispenser can result in dishes that are not properly cleaned.

Float Switch

The float switch is a safety mechanism that prevents the dishwasher from overfilling with water. It activates when the water level reaches a certain point, stopping the water flow. A faulty float switch can cause the dishwasher to overfill, leading to leaks and water damage.

Common Problems with Frigidaire Dishwasher Parts

Even with regular maintenance, Frigidaire dishwashers can encounter issues. Understanding common problems can help you identify and fix them more quickly.

Dishwasher Not Filling with Water

If your Frigidaire dishwasher is not filling with water, the issue could be with the water inlet valve. This valve controls the flow of water into the dishwasher, and if it is faulty, water may not enter the machine. Other potential causes include a clogged water supply line or a malfunctioning float switch.

Dishwasher Not Draining

A dishwasher that does not drain properly can be caused by a faulty drain pump or a clogged drain hose. The drain pump is responsible for removing water from the dishwasher, and if it fails, water may remain in the machine. A clogged drain hose can also prevent water from draining effectively.

Dishwasher Not Cleaning Dishes

If your dishwasher is not cleaning dishes effectively, the issue could be with the spray arms, circulation pump, or heating element. Clogged spray arms can prevent water from reaching all areas of the dishwasher, while a faulty circulation pump can result in poor water circulation. A malfunctioning heating element can lead to inadequate water temperature, affecting the cleaning performance.

Dishwasher Leaking

Leaks in a Frigidaire dishwasher can be caused by several issues, including a faulty door seal, a cracked water supply line, or a malfunctioning float switch. A damaged door seal can allow water to leak out of the dishwasher, while a cracked water supply line can cause water to leak into the dishwasher. A faulty float switch can cause the dishwasher to overfill, leading to leaks.

Dishwasher Making Strange Noises

Unusual noises from your dishwasher can indicate various problems, such as a faulty circulation pump, a clogged drain pump, or loose components. A malfunctioning circulation pump can cause grinding or humming noises, while a clogged drain pump can result in gurgling or whirring sounds. Loose components, such as spray arms or racks, can also cause rattling or banging noises.

Maintaining Your Frigidaire Dishwasher

Regular maintenance is key to keeping your Frigidaire dishwasher in good working condition. Here are some tips to help you maintain your dishwasher and extend its lifespan.

Cleaning the Dishwasher

Regularly cleaning your dishwasher can help prevent buildup and ensure it operates efficiently. Use a dishwasher cleaner or a mixture of vinegar and baking soda to clean the interior of the dishwasher. Remove the spray arms and soak them in a solution of vinegar and water to remove any clogs.

Checking the Water Supply

Ensure that the water supply to your dishwasher is adequate and that the water supply line is not clogged. Check the water inlet valve to make sure it is functioning properly and that there are no leaks in the water supply line.

Inspecting the Drain System

Regularly inspect the drain system to ensure it is functioning properly. Check the drain hose for any clogs or kinks and clean the drain pump to remove any debris. A well-maintained drain system will help prevent water from remaining in the dishwasher.

Replacing Worn-Out Parts

Over time, various Frigidaire dishwasher parts may wear out and need to be replaced. Common parts that may need replacement include the water inlet valve, drain pump, circulation pump, heating element, and spray arms. Regularly inspect these components and replace them as needed to keep your dishwasher running smoothly.

Using the Right Detergent

Using the correct type and amount of detergent is crucial for effective cleaning. Follow the manufacturer's recommendations for the type of detergent to use and the appropriate amount. Avoid using too much detergent, as this can lead to excessive suds and poor cleaning performance.

Running Regular Cycles

Running regular cycles, even if the dishwasher is not full, can help prevent odors and maintain the dishwasher's performance. Regular use ensures that the dishwasher's components are kept in good working condition and helps prevent buildup.

Troubleshooting Common Issues

When your Frigidaire dishwasher encounters problems, it's essential to troubleshoot the issue quickly to prevent further damage. Here are some common problems and their potential solutions.

Dishwasher Not Starting

If your dishwasher is not starting, check the following:

  • Ensure the dishwasher is properly plugged in and that the power supply is functioning.
  • Check the control panel for any error codes or indicators.
  • Inspect the door latch to ensure it is properly closed and that the latch mechanism is functioning.
  • Verify that the water supply is turned on and that the water inlet valve is working correctly.

Dishwasher Not Draining

If your dishwasher is not draining, follow these steps:

  • Check the drain hose for any clogs or kinks.
  • Inspect the drain pump for any debris or damage.
  • Ensure the drain pump is functioning properly.
  • Verify that the drain hose is properly connected to the drain system.

Dishwasher Not Cleaning Dishes

If your dishwasher is not cleaning dishes effectively, consider the following:

  • Check the spray arms for any clogs or damage.
  • Inspect the circulation pump to ensure it is functioning properly.
  • Verify that the heating element is working correctly.
  • Ensure that the detergent dispenser is releasing the correct amount of detergent.

Dishwasher Leaking

If your dishwasher is leaking, take these steps:

  • Check the door seal for any damage or wear.
  • Inspect the water supply line for any cracks or leaks.
  • Verify that the float switch is functioning properly.
  • Ensure that the dishwasher is level and properly installed.

Dishwasher Making Strange Noises

If your dishwasher is making unusual noises, follow these steps:

  • Check the circulation pump for any damage or debris.
  • Inspect the drain pump for any clogs or damage.
  • Ensure that all components are securely fastened and not loose.
  • Verify that the spray arms are not hitting any obstacles.

🛠️ Note: Always unplug the dishwasher before performing any maintenance or repairs to ensure safety.

🛠️ Note: If you are unsure about any repairs or maintenance, consult a professional to avoid further damage to the dishwasher.

In conclusion, understanding the various Frigidaire dishwasher parts and their functions is essential for maintaining and troubleshooting your dishwasher. Regular maintenance, such as cleaning the dishwasher, checking the water supply, and inspecting the drain system, can help extend the lifespan of your dishwasher. By following the tips and troubleshooting steps outlined in this guide, you can keep your Frigidaire dishwasher running smoothly and ensure it provides years of reliable service.

Related Terms:

  • frigidaire dishwasher a10797601 parts
  • frigidaire dishwasher parts near me
  • frigidaire dishwasher parts repair parts
  • frigidaire dishwasher gallery parts
  • frigidaire dishwasher parts door latch
  • frigidaire dishwasher manual
Facebook Twitter WhatsApp
Related Posts
Don't Miss