Learning

Detroit Series 60

Detroit Series 60
Detroit Series 60

In the realm of classic automobiles, few names evoke as much nostalgia and admiration as the Detroit Series 60. This iconic series of trucks, produced by General Motors, has left an indelible mark on the automotive industry and the hearts of enthusiasts worldwide. The Detroit Series 60 is not just a truck; it is a symbol of American engineering and resilience, a testament to the golden era of manufacturing.

The Legacy of the Detroit Series 60

The Detroit Series 60 was introduced in the mid-1980s as a successor to the highly successful Detroit Diesel Series 50. The Series 60 was designed to meet the growing demands of the commercial trucking industry, offering a blend of power, durability, and efficiency that set new standards for the time. The Series 60 engines were known for their robust construction and reliability, making them a favorite among fleet operators and individual truck owners alike.

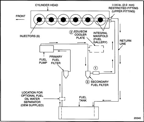
One of the standout features of the Detroit Series 60 was its innovative engine design. The Series 60 engines were equipped with advanced technologies such as electronic fuel injection and turbocharging, which significantly improved fuel efficiency and performance. These engines were available in various configurations, ranging from 11.1 liters to 14.0 liters, catering to a wide range of applications from heavy-duty hauling to long-haul trucking.

Key Features of the Detroit Series 60

The Detroit Series 60 was renowned for several key features that set it apart from its competitors:

  • Durability: The Series 60 engines were built to last, with a reputation for withstanding the rigors of heavy-duty use. Their robust construction and high-quality materials ensured longevity and reliability.
  • Fuel Efficiency: Despite their powerful performance, the Series 60 engines were surprisingly fuel-efficient, thanks to advanced technologies like electronic fuel injection and turbocharging.
  • Performance: The Series 60 engines delivered impressive horsepower and torque, making them ideal for a variety of commercial applications. They were known for their smooth operation and responsive power delivery.
  • Maintenance: The Series 60 engines were designed with ease of maintenance in mind. Their modular design allowed for quick and easy access to key components, reducing downtime and maintenance costs.

Technical Specifications

The Detroit Series 60 engines came in several configurations, each tailored to specific needs. Here is a breakdown of some of the key models and their specifications:

Model Displacement Horsepower Torque
60 Series 11.1L 11.1 liters 350-400 hp 1,250-1,450 lb-ft
60 Series 12.7L 12.7 liters 400-450 hp 1,450-1,650 lb-ft
60 Series 14.0L 14.0 liters 450-500 hp 1,650-1,850 lb-ft

These specifications highlight the versatility and power of the Detroit Series 60 engines, making them suitable for a wide range of commercial applications.

🔧 Note: The actual specifications may vary depending on the specific model and year of production. Always refer to the manufacturer's documentation for precise details.

Applications of the Detroit Series 60

The Detroit Series 60 engines found applications in various sectors of the commercial trucking industry. Some of the most common uses included:

  • Heavy-Duty Hauling: The Series 60 engines were ideal for heavy-duty hauling applications, such as construction and mining, where reliability and power were crucial.
  • Long-Haul Trucking: The fuel efficiency and durability of the Series 60 engines made them a popular choice for long-haul trucking, where minimizing fuel costs and maximizing uptime were essential.
  • Regional Hauling: The Series 60 engines were also well-suited for regional hauling, offering a balance of power and efficiency for shorter, more frequent trips.
  • Specialty Vehicles: The versatility of the Series 60 engines made them suitable for a variety of specialty vehicles, including fire trucks, emergency vehicles, and recreational vehicles.

Maintenance and Upkeep

To ensure the longevity and optimal performance of a Detroit Series 60 engine, regular maintenance and upkeep are essential. Here are some key maintenance tips:

  • Oil Changes: Regular oil changes are crucial for maintaining engine health. Use high-quality engine oil and follow the manufacturer's recommended intervals.
  • Filter Replacements: Replace air, fuel, and oil filters as recommended to ensure clean and efficient operation.
  • Cooling System: Regularly check and maintain the cooling system to prevent overheating and engine damage.
  • Electronic Systems: Keep the electronic systems, including the fuel injection and turbocharging components, in good working order to maintain performance and efficiency.

By adhering to these maintenance practices, owners can extend the life of their Detroit Series 60 engines and ensure reliable performance over the long term.

🛠️ Note: Always consult the manufacturer's maintenance schedule and guidelines for specific recommendations tailored to your engine model and usage.

The Impact on the Automotive Industry

The Detroit Series 60 had a profound impact on the automotive industry, setting new benchmarks for performance, durability, and efficiency. Its innovative design and advanced technologies influenced the development of subsequent engine models, both from General Motors and other manufacturers. The Series 60's reputation for reliability and power made it a benchmark for commercial truck engines, inspiring competitors to raise their standards.

The Series 60 also played a significant role in shaping the commercial trucking landscape. Its versatility and adaptability made it a go-to choice for a wide range of applications, from heavy-duty hauling to long-haul trucking. This versatility helped drive the growth of the commercial trucking industry, enabling businesses to transport goods more efficiently and cost-effectively.

The Enduring Appeal of the Detroit Series 60

Despite the passage of time, the Detroit Series 60 continues to hold a special place in the hearts of automotive enthusiasts and trucking professionals. Its enduring appeal can be attributed to several factors:

  • Historical Significance: The Series 60 is a symbol of a bygone era of American manufacturing, representing a time when quality and craftsmanship were paramount.
  • Reliability: The Series 60 engines are known for their exceptional reliability, making them a trusted choice for those who depend on their trucks for livelihood.
  • Performance: The Series 60's powerful performance and efficient operation continue to impress, even by modern standards.
  • Community: The Series 60 has fostered a dedicated community of enthusiasts who share a passion for these iconic engines, preserving their legacy through restoration and maintenance.

The Detroit Series 60 is more than just a truck engine; it is a cultural icon that embodies the spirit of American ingenuity and resilience. Its enduring appeal is a testament to the timeless qualities of durability, performance, and innovation that have made it a beloved classic.

In conclusion, the Detroit Series 60 stands as a testament to the golden era of American manufacturing, embodying the values of durability, performance, and innovation. Its impact on the automotive industry and the commercial trucking landscape is undeniable, and its enduring appeal continues to inspire enthusiasts and professionals alike. The Series 60’s legacy serves as a reminder of the timeless qualities that make certain vehicles truly iconic, ensuring that its spirit will live on for generations to come.

Related Terms:

  • detroit 60 series engine horsepower
  • detroit series 60 oil capacity
  • 12.7 60 series detroit
  • detroit diesel series 60
  • detroit diesel series 60 engine
  • detroit 60 series engine identification
Facebook Twitter WhatsApp
Related Posts
Don't Miss